Spur Gear Motor 700W Dia 124mm
SF1188
Parallel Shaft Gear Motors 700W, Brake Encoder Option
700W DC Spur geared motor consists of Brake Encoder Option. Spur gear motors are the most common gear motors used in industrial applications. KING RIGHT Motor has extensive experience in designing and manufacturing spur gear motors.
According to the customer's application and needs, we will provide appropriate advice and inform the advantages and disadvantages of the selected motor.
Spur gearboxes have excellent transmission efficiency due to their simple structure; however, they cannot withstand high loads like planetary gearboxes due to their less complex structure. Especially as the spur gear motor speed is higher, without proper internal lubrication, it will generate considerable noise and the life of the gearbox will be a concern.
The gear material selected by KING RIGHT Motor is a metal material with high bearing capacity, and the life of the gear box is optimized through heat treatment and other procedures. Your choice and advice are welcome.
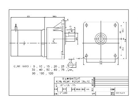
Specification
- Normal Voltage: DC12V, DC24V
- Reduction Ratio: 1/5 - 1/120
- Gear Ratio: 1/5, 1/10, 1/15, 1/20, 1/30, 1/50, 1/75, 1/90, 1/100, 1/120
- Shaft Diameter: 24 mm
- Output Speed: 8 - 700 rpm
- Direction: Bi-direction
- Speed Adjustment: Available
- Motor Type: Brush Motor
- Option: Magnetic Encoder / Optical Encoder or Brake
- Made in Taiwan.
Key Characteristics
King Right Motor’s DC motors combine oriental induction geared reducer to offer the best performance, speed stability, and a wide range application of SPUR GEARED MOTOR SERIES.
Our SPUR GEARED MOTOR range 3GN, 4GN, 5GN includes 40W TO 150W Geared Motors. Compact and cost effective is the feature of this type.
Typical Applications
- Remote Antenna
- BBQ and Rotisserie Grill
- Elevator Door
- Industrial Equipment
- Automatic Actuator
- Automatic Doors
- Gallery
- Download
- Related Products
700W DIA 124mm High Power Design DC Motor 12V, 24V, 36V, 48V
M1188
700W DIA 124mm Durable construction High power design DC Motor operates 12V, 24V, 36V, and 48V....
Details700W Strong Planetary Gear Motor DIA 124 torque Up to 20Kgm
PT1188
DIA 124mm 24 Volt, 36 Volt, 48 Volt 1000 Watt Strong Planetary gear Brushed motor is suitable...
Details
Parallel Shaft Gear Motors 700W, Brake Encoder Option | Planetary Gear Motors Manufacturer | KING RIGHT MOTOR
Located in Taiwan since 1975, KING RIGHT MOTOR CO., LTD. has been a DC motors and DC gears manufacturer. Their main DC motor products, include Spur Gear Motor 700W Dia 124mm, DC Motors, Planetary Gear Motors, Worm Gear Motors, Spur Gear Motors, and Water Pumps, which are ISO 9001 certified.
Backed by King Right Motor's accumulated experience and matured techniques, we are confident in bringing you high-quality DC motors with powers ranging from 5W to 1000W. Wide product fields including planetary gear motor, worm gear motor, SERVO MOTOR is applied from equipment, industrial machine, medical appliance, health and welfare equipment, garage door and vehicles applications, etc. With 50 years of experience in the manufacture of DC motors and geared motors for equipment, garage door, vehicle applications, etc. KING RIGHT MOTOR has enjoyed a good reputation and credibility in every field of the domestic and overseas market because of its high quality and excellent performance. Our Major products are DC Motor, Planetary Geared Motor, Worm Geared Motor, Spur Geared Motor, Servo Motor, and Pump.
KING RIGHT MOTOR has been offering customers high-performance DC motors and DC gears, both with advanced technology and 50 years of experience, KING RIGHT MOTOR ensures each customer's demands are met.





